Zawory sterujące hydrauliczne: podstawy schematów hydraulicznych i możliwości modyfikacji
Zawory sterujące (rozdzielacze) są kluczowymi elementami w systemach hydraulicznych. Głównym ich zadaniem jest sterowanie kierunkiem przepływu oleju, co jest niezbędne do prawidłowego funkcjonowania wielu maszyn i urządzeń. W tym artykule omówimy podstawy schematów hydraulicznych i możliwości modyfikacji zaworów sterujących oraz przedstawimy szeroki asortyment rozdzielaczy i akcesoriów z tego segmentu proponowanych przez Kramp.
Podstawy schematów hydraulicznych
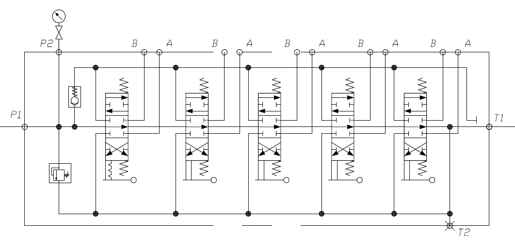
Każdy zawór sterujący posiada swój unikalny schemat, który opisuje zasadę jego działania. Schematy te są nieodzownym elementem, umożliwiającym zrozumienie, jak dany zawór funkcjonuje w określonym układzie hydraulicznym. „Ze schematów hydraulicznych odczytujemy pełną specyfikacje zaworu. Na podstawie schematu możemy określić ilu sekcyjny jest dany zawór startujący, jakie funkcje w układzie pełnią poszczególne sekcje, jak są sterowane i pozycjonowane oraz czy w układzie wbudowane są dodatkowe zawory np. zwrotne czy przelewowe”, mówi Wojciech Kołodziejczak, specjalista ds. produktów firmy Kramp. Przykładowy schemat hydrauliczny rozdzielacza 4 sekcyjnego sterowanego ręcznie za pomocą dźwigni przedstawia Rys.1.
![]() |
Rys. 1 Przykładowy schemat hydrauliczny zaworu sterującego
Budowa rozdzielaczy
Rozdzielacze hydrauliczne składają się z kilku kluczowych elementów: korpusu, tłoczka, kołpaka przedniego, kołpaka tylnego oraz wbudowanych zaworów bezpieczeństwa. Te elementy razem tworzą mechanizm, który może być sterowany ręcznie (przy użyciu dźwigni lub linki) albo elektromagnetycznie za pomocą cewek. Budowa rozdzielacza determinuje jego funkcjonalność i możliwości zastosowania w różnych układach hydraulicznych.
Możliwości modyfikacji
Modyfikacje zaworów sterujących mogą być konieczne w celu dostosowania systemu do specyficznych wymagań operacyjnych. Oto kilka możliwości modyfikacji:
- Wymiana tłoczka - w celu dostosowania funkcji roboczych rozdzielacza do konkretnego zastosowania.
- Dodanie kołpaka z blokadami - dzięki zastosowaniu blokad, dźwignia pozostaje w danej pozycji bez konieczności przytrzymywania przez operatora.
- Dodanie funkcji pływającej - pozwalającej na swobodną pracę odbiornika, a tym samym kopiowanie terenu przez maszynę. To rozwiązanie jest często stosowane w pługach śnieżnych.
- Regulacja ciśnienia - zawory mogą być wyposażone w regulatory ciśnienia, aby dostosować je do specyficznych potrzeb systemu.
- Sterowanie elektroniczne - w niektórych przypadkach można zainstalować zawory sterowane elektronicznie, które oferują większą precyzję i możliwość programowania.
Kramp oferuje szerokie możliwości modyfikacji swoich produktów, aby spełnić specyficzne potrzeby klientów. „Konfiguracji może być bardzo dużo, nasi specjaliści przygotowują modyfikację i wysyłają do klienta gotowe rozwiązania. Osoby, które posiadają odpowiednie umiejętności, mogą również samodzielnie dokonać modyfikacji i skorzystać w tym celu z szerokiej oferty produktów Kramp. Modyfikacje mogą obejmować dodanie kolejnych funkcji, zmiany w sterowaniu (np. z linki na dźwignię lub cewkę elektromagnetyczną), a także wymianę kołpaka lub tłoczka w celu dostosowania funkcji poszczególnych sekcji rozdzielacza. W zależności od rodzaju odbiornika (np. silnika hydraulicznego, siłownika dwustronnego działania lub siłownika jednostronnego działania), dobierany jest odpowiedni tłoczek” – opowiada Dominik Urbański, specjalista ds. produktów Kramp.
![]() |
Specjaliści Kramp przygotowują modyfikację i wysyłają do klienta gotowe rozwiązania
Kompatybilność
W przypadku hydraulicznych zaworów sterowania, kluczowe jest, aby wszystkie komponenty były ze sobą kompatybilne. Każdy producent projektuje swoje części z określonymi specyfikacjami, które mogą różnić się między firmami. Dlatego akcesoria, takie jak kołpaki, zawory czy tłoczki, muszą być dopasowane do korpusów tego samego producenta i tej samej serii. Na przykład, kołpak producenta gopart powinien być używany z korpusami gopart, aby zapewnić prawidłowe działanie i uniknąć problemów z kompatybilnością.
Przykład zastosowania
Rozważmy przykład systemu hydraulicznego w traktorze. Zawory sterujące są kluczowe dla funkcjonowania wielu podzespołów, takich jak podnośnik hydrauliczny. W takim wypadku modyfikacja zaworów, np. przez dodanie zaworów przeciążeniowych, może zapobiec uszkodzeniom w sytuacji nagłego wzrostu ciśnienia. Produkty marki Kramp, takie jak zawory przeciążeniowe, mogą zapewnić niezawodne działanie i ochronę systemu hydraulicznego traktora.
Rodzaje rozdzielaczy Kramp
Kramp oferuje różne typy rozdzielaczy, które można podzielić na:
• Rozdzielacze monoblokowe - ich charakterystyczną cechą jest jeden korpus, z jedną lub kilkoma sekcjami, bez możliwości rozbudowy o kolejne sekcje.
• Rozdzielacze sekcyjne: mogą być rozbudowywane o kolejne sekcje, co pozwala na elastyczne dostosowanie do potrzeb użytkownika.
• Rozdzielacze typu Cetop: montowane na płytach zaworowych, idealne do bardziej zaawansowanych układów hydraulicznych.
![]() |
Rozdzielacz hydrauliczny sekcyjny Mikrus - 8 sekcji
Podsumowanie
Zawory sterujące są kluczowymi elementami systemów hydraulicznych. Wiedza na temat schematów hydraulicznych, budowy rozdzielaczy i możliwości ich modyfikacji może pomóc usprawnić działanie maszyny i pozwolić na bardziej wydajne jej wykorzystanie. Możliwości modyfikacji zaworów to m.in. wymiana tłoczka, regulacja ciśnienia i sterowanie elektroniczne. Kramp oferuje różne rodzaje rozdzielaczy i akcesoriów, umożliwiając dostosowanie ich do specyficznych potrzeb klientów, przy zachowaniu kompatybilności komponentów.
Gdzie kupić produkty Kramp?
Produkty Kramp, w tym zawory sterujące hydrauliczne, zakupisz w sieci sklepów Powered by Kramp, Grene i u dealerów Kramp. Nasze sklepy oferują pełną gamę produktów oraz akcesoriów, umożliwiając klientom dokonanie samodzielnych modyfikacji lub skorzystanie z profesjonalnego doradztwa i serwisu. Listę punktów znajdziesz na stronie Znajdź dealera Kramp - KRAMP. Jeżeli jesteś klientem hurtowym zawory oraz wiele innych produktów i części zamiennych dla rolnictwa zakupisz na stronie www.kramp.com.
Pełna oferta rozdzielaczy dostępna jest na stronie internetowej Kramp:
• Rozdzielacze płytowe typu Cetop
Jeśli chcesz dowiedzieć się więcej na temat zaworów sterujących hydraulicznych, skontaktuj się ze specjalistami ds. produktu Kramp i napisz na adres: hydraulika.pl@kramp.com.



