Hogyan kerülheti el a rendszer túlterhelését LED-es munkalámpák használata esetén?
Hogyan kerülheti el a rendszer túlterhelését LED-es munkalámpák használata esetén?
Manapság egyre hosszabb ideig dolgozunk, és a jó világítás a legtöbb helyzetben egyre fontosabb. Pontosan azért, mert a világítás olyan fontos, a meglévő halogén- és izzólámpákat LED-technológiára cseréljük. A LED-világítás sokkal hatékonyabb, jobb megvilágítást biztosít, és kellemes színű a fénye. A LED-es világítás hatékony, de a LED-es lámpák telepítésekor számos szempontot figyelembe kell venni. Különösen akkor, ha több lámpa van csatlakoztatva egy hálózatra. Ebben a cikkben arról olvashat, hogyan előzheti meg a rendszer túlterhelését.
Hogyan kerülhetjük el ezt, és hogyan biztosíthatjuk, hogy ne terheljük túl az eredeti vezetékeket?
Képzelje el, hogy több 30 wattos halogénlámpával rendelkezik. Növelni szeretné a munkalámpák számát, és ezeket is át szeretné alakítani nagyobb teljesítményű LED-lámpákra. Két tényezőt fogunk megtárgyalni, melyeket figyelembe kell vennie.
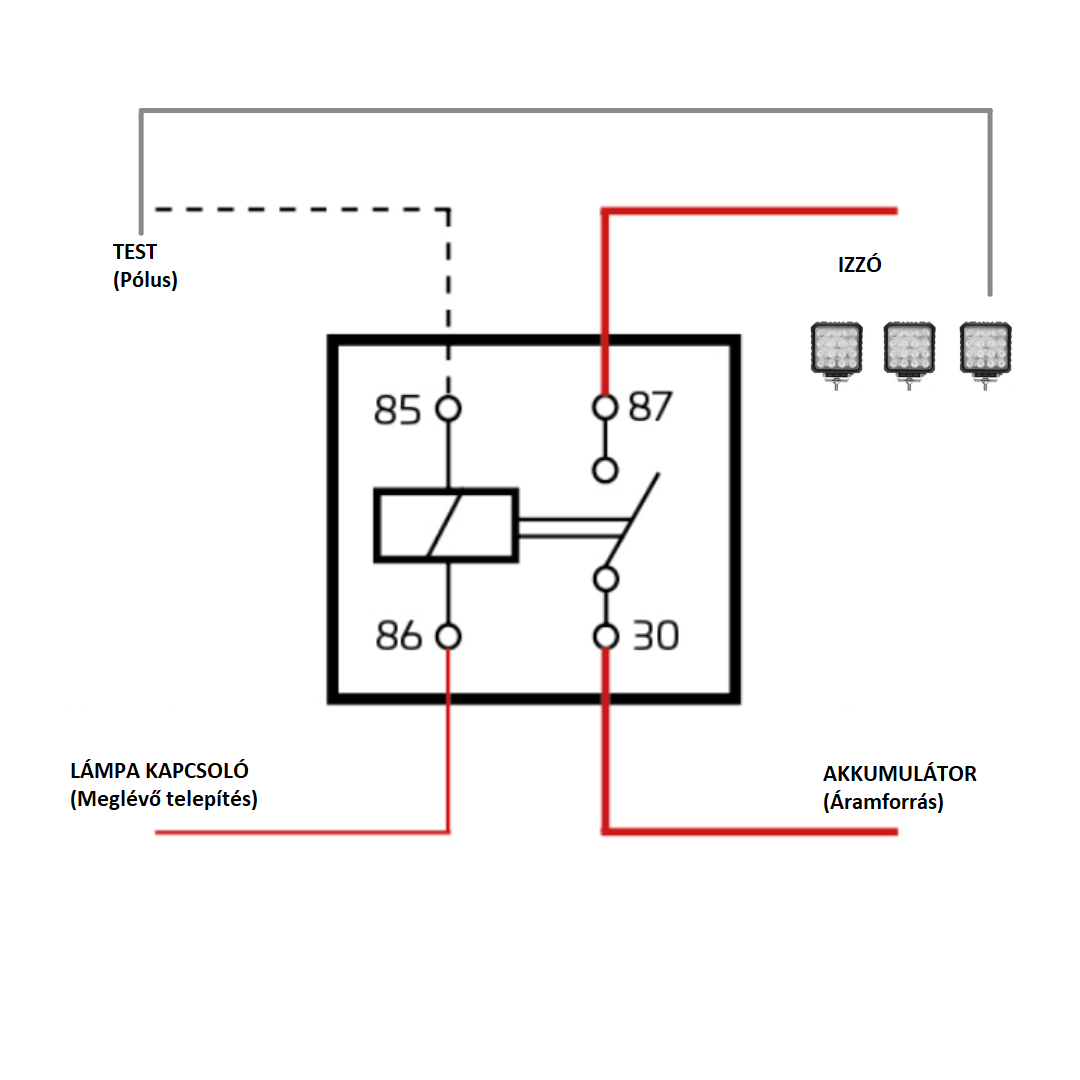
- A meglévő vezetékeket szabványos világításhoz tervezték. Ezért meg kell győződnünk arról, hogy nincs olyan túlterhelés, mely a kapcsolók vagy vezetékek túlterhelését okozná. Ezért fontos, hogy a szabványos telepítés megengedett terhelése alatt maradjunk. Kérjük, olvassa el a „Hogyan használjunk relét több lámpa csatlakoztatásakor?”.
című fejezetet. Jó tudni: a Fendt traktorok többlámpás kapcsolója például közismerten problémákat okoz, ha nagyobb teljesítményű munkalámpákat szerelnek fel. Relé használata megoldást jelent erre a gyakori problémára is.
- Egy másik figyelembe veendő tényező a világításhoz használt kábelezés. Ha további fogyasztót csatlakoztatunk az áramforráshoz (akkumulátor), fontos, hogy megfelelő kábelezést használjunk. Vegye figyelembe, hogy minden csatlakozó további ellenállást eredményez. Használjon megfelelő csatlakozókat, melyek elegendő áramot képesek kezelni. Ha a kábeleket meg kell hosszabbítani, győződjön meg arról, hogy azok jól vannak csatlakoztatva. Ezt megteheti forrasztással (például összekötők használatával) vagy a környezetnek (víz, olaj és por) ellenálló, tartós csatlakozók használatával. A sorkapocs csak rövid távú megoldás (😉).
Hogyan használjunk relét több lámpa csatlakoztatásakor?
A megfelelő alkatrészek kiválasztásához fontos tudni, hogy mekkora teljesítményű fogyasztót szeretnénk csatlakoztatni. Adja össze az összes teljesítményt, és ossza el a tápfeszültséggel (12/24 V). Ez megadja az általunk használt amperek számát. Az elektromos alkatrészeket gyakran amperben fejezik ki, ezért ez a számítás.
Például: 4 db 30 W -os halogén izzót, 4 db 45 W -os és 2 db 60 W -os LED -es munkalámpára szeretnénk cserélni. Az eredmény 4x45 + 2x60 = 300 Watt (300/12 = 25 A) lesz az új beállításokkal , míg a régivel csak 120 W (120/12 = 10 A). Ez nem tűnik soknak, de következményei lehetnek az eredeti kábelezésre nézve. Most már bölcs dolog egy további tápkábelt vezetni egy relével ezekhez az új lámpákhoz. Ha az áramforrástól hat méter kábelre van szükség, akkor 3,5 mm2 keresztmetszetű kábelt kell használnunk. Természetesen arról is gondoskodnunk kell, hogy az áramforráshoz minél közelebb legyen egy megfelelő biztosíték is. Válasszon egy jó biztosítékdobozt, amely ellenáll a nedvességnek, az olajnak, a pornak és a rezgésnek. Például DE12033769 + DE12033731 + 2x DE12066614 vagy SI20153A.
Egy másik szempont, melyet figyelembe kell venni, az a tápkábel vezetése. Győződjön meg arról, hogy nem sértették meg éles szélek, és hogy a gép rezgései vagy mozgása nem befolyásolja. Szükség esetén használjon védőcsövet. Most egy relét kell felszerelnünk a megfelelő helyre. Itt a vezérlőfeszültség a meglévő vezetékből származik, és egy újonnan lefektetett tápkábelt kapcsolunk a lámpákhoz.
Ehhez például használjon egy 30 A-es relét. Ez maximum 20 amper kapcsolására képes, ami több mint elegendő erre a célra.

A Kramp termékkínálatában szerepel egy csatlakozókészlet, amely kimondottan munkalámpákhoz használható. Ez maximum 2x100 watt (12 V) | 2x200 watt (24 V) kapcsolására képes. A Deutsch csatlakozók már alapfelszereltségként fel vannak szerelve, és ezek számos Kramp munkalámpához illeszthetők.
Relé 1605WK031
Relé 1605WK032Ez két munkalámpához használható.
Kérdése van?
Ha bármilyen kérdése van azzal kapcsolatban, hogyan kerülheti el a rendszer túlterhelését LED-es munkalámpák használata esetén, kérjük, forduljon egy Kramp termékszakértőhöz, vagy lépjen kapcsolatba velünk a következő címen: knowledgecenter@kramp.com.