LED-arbetslampor - undvik överbelastning av systemet
Under vinterhalvåret är arbetsbelysning minst sagt nödvändigt för att du ska kunna utföra ditt arbete. Därför är det många som ersätter befintliga halogen- och glödlampor med LED-teknik. LED-belysning har många fördelar, till exempel det är mer effektivt och ger bättre belysning med en trevligare färgton. Men det finns några punkter du behöver tänka på när du installerar LED-lampor, speciellt om du har flera anslutna lampor. I den här artikeln kan du läsa om hur du förhindrar att ditt system blir överbelastat.
Hur undviker jag överbelastade arbetslampor?
Om du vill undvika överbelastning av ditt system och se till att du inte överbelastar de ursprungliga kablarna ska du tänka på faktorerna nedan.
Till exempel, tänk dig att du har en installation med flera 30 W halogenlampor. Du vill öka antalet arbetslampor och även konvertera dem till LED-lampor med högre effekt. Vi kommer att diskutera två faktorer som du bör ta hänsyn till.
- Den befintliga kabeln är avsedd för standardbelysning. Du behöver därför se till att det inte finns någon överbelastning som gör att omkopplare eller kablar blir överbelastade. Det är därför viktigt att se till att du håller dig under den tillåtna belastningen för standardinstallationen. Läs mer under rubriken ”Hur använder du ett relä vid anslutning av flera lampor?”.
Bra att veta: multiljusomkopplaren på till exempel Fendt-traktorer är känd för att orsaka problem när tyngre arbetslampor installeras. Ofta är lösningen på detta vanliga problem att du använder ett relä.
- Du behöver även tänka på vilka kablar du använder för belysning. Om du ansluter en extra strömförsörjning från källan (batteriet) är det viktigt att du använder gott om kablar. Observera att varje koppling skapar ytterligare motstånd. Använd bra pluggar som klarar tillräcklig ström. Om kablarna måste förlängas, se till att de är väl anslutna. Du kan göra detta genom lödning (till exempel genom att använda skarvhylsor) eller genom att använda robusta kontakter som är resistenta mot miljön (vatten, olja och damm). Ett kopplingsblock är en kortsiktig lösning.
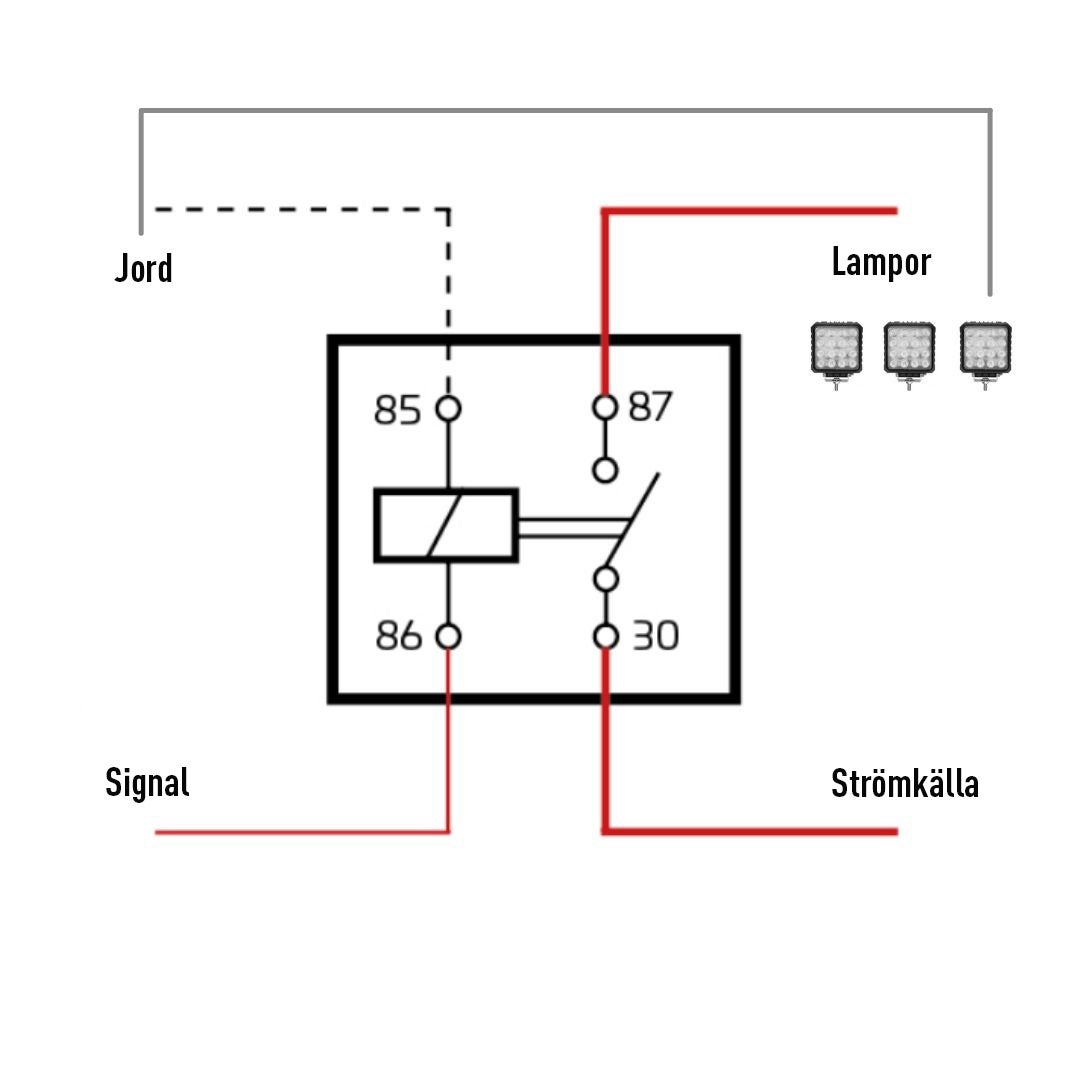
Hur använder jag ett relä vid anslutning av flera lampor?
För att välja rätt komponenter är det viktigt att veta hur mycket ström du vill ansluta vilket ofta uttrycks i ampere (A). Du kan räkna ut antalet ampere du kommer använda genom att: lägga ihop alla watt och dividera detta med matningsspänningen Volt (12/24V).
Till exempel: du vill ersätta 4 st 30 Watt Halogen lampor med 4 st 45 Watt och 2 st 60 Watt LED arbetslampor. Detta resulterar: 4x45+2x60=300 Watt (300/12=25A) i den nya situationen jämfört med Halogen lamporna 120W (120/12=10A). Detta verkar inte mycket men det kan få konsekvenser för den ursprungliga ledningen. Det är därför klokt att lägga en extra strömkabel med ett relä till dessa nya lampor. Om det krävs sex meter kabel från källan måste vi använda 3,5 mm² kabel. Naturligtvis måste du också se till att det finns en bra säkring så nära källan som möjligt. Välj en bra säkringsdosa som är resistent mot fukt, olja, damm och vibrationer.
En annan faktor att tänka på är strömförsörjningskabelns ledning. Se till att den inte skadas av vassa kanter och att den inte påverkas av vibrationer eller rörelse i maskinen. Använd ett skyddsrör vid behov. Nu behöver du montera ett relä på en lämplig plats. Här kommer en styrspänning från befintliga ledningar och vi byter en nylagd matningskabel till lamporna.
Använd till exempel ett 30 A-relä för detta. Detta kan växla maximalt 20 ampere, vilket är mer än tillräckligt för ändamålet.

Med en anslutningssats kan du maximalt växla 2x100 watt (12V) | 2x200 watt (24V). Deutsch-kontakter är redan monterade som standard och dessa passar många Kramp-arbetslampor.
Denna är lämplig för en arbetslampa. Art. nr. 1605WK031
Denna är lämplig för två arbetslampor. Art. nr. 1605WK032Har du fler frågor?
Om du har några frågor om hur du undviker överbelastning av ditt system när du använder LED-arbetslampor, kontakta en Kramp-produktspecialist eller kontakta oss på knowledgecenter@kramp.com.

Artikeln är skriven i samarbete med
Robert & Christer, produktspecialister traktor & vagnkramp.se@kramp.com