DE
Hilfe
Anmelden
Landwirtschaft
Traktoren & Fahrzeuge
Forst & Garten
Hydraulik & Antriebstechnik
Baumaschinentechnik
Shop & Werkstatt
Modellsuche
Landwirtschaft
...
Grünland & Futtertechnik
Suche nach Hersteller / Typ
Passend für Kuhn
Ballenpresse
Series VB
VB 2255 2015, Sn. VGRK010000, VGRK010323
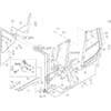
23 Hydraulik Heckklappe
Drucken
23 Hydraulik Heckklappe
Blättern Sie zur Produkttabelle
Loading...
Loading...
Loading...
Loading...
Loading...
Loading...
Loading...
Loading...
Loading...
Loading...
Loading...
Loading...
Loading...
Loading...
Loading...
Loading...
Loading...
Loading...
Loading...
Loading...
Loading...
Loading...
Loading...
Loading...
Loading...
Loading...
Loading...
Loading...
Loading...
Loading...
Loading...
Loading...
Loading...
Loading...
Loading...
Loading...
Loading...
Loading...
Loading...
Loading...
Loading...
Loading...
Loading...
Loading...
Loading...
Loading...
Loading...
Loading...
Loading...
Loading...
Loading...
Loading...
Loading...
Loading...
Loading...
Loading...
Loading...
Loading...
Loading...
Loading...
Loading...
Loading...
Loading...
Loading...
Loading...
Loading...
Loading...
Loading...
Loading...
Loading...
Loading...
Loading...
Loading...
Loading...
Loading...
Loading...
Loading...
Loading...
Loading...
Loading...
Loading...
Loading...
Loading...
Loading...
Loading...
Loading...
Loading...
Loading...
Loading...
Loading...
Loading...